• <li id="www08"><tt id="www08"></tt></li><li id="www08"><table id="www08"></table></li>
  • <li id="www08"></li><li id="www08"></li>
    <li id="www08"><tt id="www08"></tt></li><li id="www08"><tt id="www08"></tt></li>
    <li id="www08"></li>
    <li id="www08"></li>
  • <tt id="www08"></tt>
  • 您現在的位置:首頁 / 工程應用 / 伴熱專題
    電加熱器在化工廠應用中的故障分析
    來源:百科網  瀏覽次數:11168  日期:2013年1月03日

        電加熱器被廣泛使用在石油、化工、電力等各行業管道內各種流體介質的加熱、升溫、降粘,取代了傳統的蒸汽加熱、燃油加熱、恒功率加熱等方法。這種電加熱器在化工廠被廣泛使用。它是采用合金作為發熱元件,其自身阻值的熱應變特性能自動調整發熱功率,自動跟蹤工藝設計溫度從而動態調整發熱功率,給通過管道的催化劑介質進行加熱,來提高催化劑的活性,能生產出更多牌號的產品,提高經濟效益。不過這類加熱器在使用過程中也會出現不同的故障,所以要想及時的處理故障讓其正常的運行,就必須熟練掌握這類電加熱器的工作原理。
    1、電加熱器的工作原理
        下面以一個鉻系電加熱器E001為例,簡單介紹一下它的工作原理:
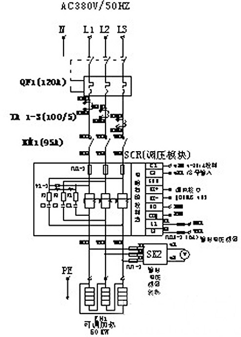
        此電加熱器加熱功率為50KW,電熱元件為三角形接線。在電加熱器的出口處設有一溫度傳感器,測溫元件為熱電偶,溫度范圍為0—800度,用于測量介質的溫度。工藝調整發熱功率主要是通過對調壓模塊中,雙向可控硅的導通角的控制來實現調壓模塊輸出電壓的大小從而改變了加熱器的功率(如圖1)。工藝需要啟動加熱器時,先送上電源開關QF1、QF2、QF3,并保證DCS急停點是閉合狀態(如圖2)所示,在沒有任何的故障報警的前提下,按下啟動按鈕SB1,KM1接觸器吸合,調壓模塊的上端帶電。介質溫度檢測裝置(ST1-1)檢測到介質溫度,由介質溫度變送器(WBS)將溫度信號轉變為4—20mA的電流信號送至DCS(如圖3),與工藝設定的基本加熱溫度信號相比較后,將控制信號送到調壓模塊的電腦智能控制器上(C1、C2),控制雙向可控硅導通角,來調節模塊得輸出電壓從而改變EH1加熱器得功率,達到控制介質溫度的目的。

     

    電加熱器原理圖
    圖1:電加熱器原理圖
     

    電加熱器DCS常閉觸點

    圖2:DCS常閉觸點

     

    電加熱器4-20MA信號給定
    圖3:4-20MA信號給定
     

        當達到設定的溫度后,加熱器就會進入恒溫狀態。在加熱的過程當中過熱溫度控制儀KTM1和KTM2會通過ST2和ST3電熱元件檢測到加熱器內部的溫度,并將4—20mA的內部溫度信號通過521、522和531、532這兩對節點送到DCS控制系統。KTM3則是用來對介質溫度的測量和顯示,給WBS信號裝置提供電源。同時將測量的介質溫度信號送至DCS,DCS系統對介質溫度和熱元件溫度進行比較計算后自動給調壓模塊發出控制信號,控制加熱器的輸出功率。
    2、故障分析及處理方法
        電加熱器在運行過程中出現故障時,要以最快的速度對其故障進行檢查、分析和處理,否則就會影響到介質溫度和催化劑活性,影響聚合產品質量。下面我將一些常見的故障和處理方法簡單介紹一下。
    2.1送電后加熱器不能加熱
    故障原因分析:
        1) 主回路沒有電。
        2) 調壓模塊內部保險燒壞。
        3) DCS急停常閉點打開,KA3未得電。
        4) 故障報警繼電器KA2動作。
        5) DCS 4—20mA控制信號未送到調壓模塊。
        6) 加熱器內部有斷線。
        7) WBS介質變送器損壞,不能送出介質溫度信號。
        8) 現場溫度顯示有問題。
        9) 溫度傳感器損壞。
    故障處理方法:
        1) 使用萬用表測量主回路電源是否正常,檢查上級電源是否送出。
        2) 打開調壓模塊檢查模塊電路板是否正常,更換調壓模塊并更換保險FU1—3。
        3) 使用萬用表直流電壓檔測KA3繼電器線圈是否有24V直流電,若無電說明DCS急停常閉點未閉合,通知儀表配合檢查。
        4) 當故障報警繼電器KA2動作時,故障報警燈會亮同時還有聲音報警,如圖4所示,若是1#、2#過熱溫度控制儀過熱報警,應該停止投用加熱器待溫度下降后再使用,并進一步檢查相關設備。若是調壓模塊內部故障報警,一般為電子元件燒壞所致,應盡快找相同型號的調壓模塊備件更換,以保證生產需要。若是介質測溫裝置故障報警,應該檢查更換現場溫度探頭。
        5) 當調壓模塊未接受到4—20mA控制信號時,應使用專用測量4—20mA電流信號的鉗形電流表進行測量,或者在調壓模塊上拆除420或421任何一根線,把萬用表打在電流檔串接在這兩根線之間,看是否有4—20mA電流信號送過來,如果沒有則通知儀表人員配合檢查。
        6) 在加熱器本體將三相電源進線拆除,用搖表測量加熱器內部絕緣電阻是否正常,并用萬用表測量加熱器內部阻值是否平衡。若電阻是平衡得那么就說明加熱器內部沒有斷線。
        7) 先要檢查介質變送器是否有工作電源,它的工作電源是由KTM3提供的24V直流電,其次檢查變送器本身的好壞。
        8) 現場溫度顯示裝置由儀表人員維護,我們可以配合儀表人員檢查。
        9) 溫度傳感器也是由儀表維護,同樣我們要配合儀表人員檢查。
    2.2加熱器工作時不能正常停止加熱
    故障原因分析:
        1) 調壓模塊內的可控硅被擊穿直接導通,不受控制信號的控制。
        2) DCS給出的控制信號始終為最大信號,控制信號不能調節。
        3)主回路接觸器KM1主觸頭粘死。
        4) 1#、2#過熱溫度控制儀內部故障沒有發出過熱報警。
        5) 介質溫度傳感器壞,檢測不到介質溫度。從而介質變送器送至DCS的信號就是最小信號,那么DCS則會發出最大信號讓加熱器繼續加熱。
        6) 設定的加熱溫度太高。
    故障處理方法
        1) 停電檢測可控硅的好壞并更換。
        2)當DCS始終給出最大控制信號時,調壓模塊里得可控硅始終處于導通狀態,加熱器就以最大功率進行加熱,不能隨著溫度變化來改變輸出功率,應該通知儀表人員檢查DCS的信號系統。
        3) 接觸器主觸頭粘死要通知工藝把加熱器的功率調到最低,然后斷開主路空開QF1,更換新的主路接觸器。
        4) 通知工藝讓儀表人員檢查過熱溫度控制儀,電氣人員配合。
        5) 通知工藝讓儀表檢查傳感器。
        6) 通知工藝將溫度設定在正確范圍。

     

    電加熱器報警裝置圖


    2.3系統報警
        1) 溫度過高:介質溫度超過350℃,加熱器溫度超過500℃,系統出現報警,可降低溫度或檢查控制系統是否故障。
        2) 溫度正常時報警為模塊故障,可斷電3分鐘送電即可解決。
        由于電加熱器是由我們電氣和儀表共同維護的設備,在處理故障的時候首先要判斷是電氣原因,還是儀表原因。正確的判斷可以減少不必要的麻煩,并能快速的查清故障點進行處理。
    2.4電加熱器的維護和保養
        1) 防爆場所,電加熱器必須在斷電后方能開啟電加熱器的接線盒,溫度傳感器的接線盒。
        2) 當流量不正;驘o流量時,嚴禁開啟電加熱器,以免燒壞電加熱器。
        3) 定期檢查電熱偶動作可靠性和靈敏性。
        4) 定期檢查電加熱器內加熱元件的絕緣電阻。
        5) 定期檢查接地電阻值。
        6) 定期檢查電加熱器各接線端子,觸頭有無松動、變色。
        7) 電加熱器上內外接地都必須可靠接地。
        8) 定期清理排放口內的殘留雜物。
       在化工廠有很多不同型號、不同功率的電加熱器,但它們的工作原理都基本相同。通過對E001電加熱器的結構、工作原理的學習,對此電加熱器有了更深的了解,總結了一些故障發生的原因,并進行了分析,針對不同情況的故障總結了不同的處理方法。有學習有實踐才能有經驗,有經驗才能得心應手的處理各種故障。

    所屬類別:伴熱專題
    該資訊的關鍵詞為:電加熱器,加熱器故障分析

    國家電伴熱生產基地,國際伴熱帶制造專家;傾力打造國內最大規模電伴熱產業集群

    備案皖公網安備 34118102000521號
  • <li id="www08"><tt id="www08"></tt></li><li id="www08"><table id="www08"></table></li>
  • <li id="www08"></li><li id="www08"></li>
    <li id="www08"><tt id="www08"></tt></li><li id="www08"><tt id="www08"></tt></li>
    <li id="www08"></li>
    <li id="www08"></li>
  • <tt id="www08"></tt>
  • 亚洲精品第一 读书| 临沂市| 满洲里市| 阿拉善左旗| 唐河县| 上犹县| 南雄市| 竹北市| 镇康县| 台山市| 高密市| 抚远县| 建水县| 稷山县| 丹棱县| 延吉市| 屏边| 绥棱县| 凌云县| 海淀区| 延津县| 观塘区| 宁津县| 宜君县| 外汇| 永春县| 遂宁市| 个旧市| 宕昌县| 紫阳县| 石景山区| 许昌市| 什邡市| 长武县| 高台县| 黔江区| 池州市| 安义县| 濮阳市| 水富县| 新巴尔虎右旗| http://444 http://444 http://444